Go back
24 Month Warranty Prev product Next product
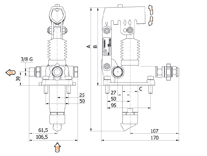
Hand pumps
PM 6-12-25-45 byC-s
DETAILS
with release lever
with pressure relief valve
double acting hand pump for single acting cylinder for fixing to tank
SPECIFICATIONS
Cast iron body
Piston treated with Niploy
White zinc plated support lever
Lever connection Ø 27
White zinc plated external parts
Standard colour black
Oil tank mounting kit included
Hydraulic schema
ATEX

On Demand ATEX Certificates

II2G Ex h IIB TX Gb

II2D Ex h IIIB TX Db

Product image
EFFORT DIAGRAM
Optimal Effort Graph
Product image
DISPLACEMENT
cm3
A
mm
B
mm
C
mm
D
°
E
°
ACTUAL
DISPLACEMENT
cm3
PRESSURE BAR
OPTIMAL MAX
MASS
KG
CODE 3D DRAWdownload
62531663426316,970
420500
2,9006049.0144 DOWNLOAD 3D DRAW
1225316634263112,095
220380
2,9006050.0144 DOWNLOAD 3D DRAW
2527317234303025,280
120350
2,9506051.0144 DOWNLOAD 3D DRAW
4528317240453344,532
80280
3,0006052.0144 DOWNLOAD 3D DRAW